Поиск по сайту:

 


По базе:  

микроэлектроника, микросхема, микроконтроллер, память, msp430, MSP430, Atmel, Maxim, LCD, hd44780, t6963, sed1335, SED1335, mega128, avr, mega128  
  Главная страница > Статьи > Источники питания




Поляков В.Д., Барышников А.Н.
Московский энергетический институт
(Технический университет)

Применение комбинированного контроллера TDA16888 в типовых источниках питания

Представляем на суд специалистов новую разработку фирмы Infineon Technologies (Siemens) в области источников питания для промышленного применения. Предлагаемая фирмой новая ИС TDA16888 обладает рядом положительных свойств, повышающих надежность и качество электропитания. Данный материал является авторским обзором оригинальных публикаций фирмы-разработчика по данной ИС.

1. Общая характеристика

Интеграционная схема (ИС) TDA16888 предназначена для новых поколений источников питания с активной коррекцией коэффициента мощности (ККМ), режимом ожидания и широким диапазоном входного напряжения (90 - 270 В), т.е. дл персональных компьютеров, мониторов, телевизоров и промышленного применения.

Это совершенное исполнение комбинированного контроллера оптимизировано, чтобы обеспечить электромагнитную совместимость, уменьшить системные затраты, реализовать схемные решения для широкого диапазона применений. ИС разработана по правилам FMEA (эффективного анализа повреждений), которые ставят условием, что простой сбой не должен приводить к неконтролируемым выходам из строя и гарантировать риск от пожара.

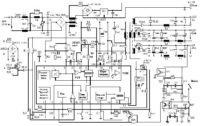
TDA16888 предназначена для управления двухступенчатой топологией блока питания, включающей ККМ и ШИМ преобразователи. Типовая схема источника питания управляемого TDA16888 приведена на рис. 1. Внутренние интеллектуальные управляющие ИС, синхронизируют работу ККМ и ШИМ преобразователей, обладают большим количеством встроенных функций управления и контроля, что позволяет минимизировать внешние соединения без значительного ограничения гибкости разработки. ККМ преобразует выпрямленное, несглаженное напряжение сети в регулируемое напряжение промежуточной цепи. Потребляемый сетевой ток регулируется, так что его кривая приближается к форме приложенного сетевого напряжения (рис. 2а, б). Всегда возможно питание постоянным напряжением. Второй ШИМ преобразователь обеспечивает передачу напряжения и потенциальную развязку цепей. Для преобразователя созданы хорошие постоянные условия работы благодаря предварительному регулированию напряжения в промежуточной цепи. В режиме ожидания, ШИМ преобразователь не активен. Топология двухкаскадного преобразователя дает высокю гибкость в пределах предъявляемых требований, мощности и КПД, а также высокий уровень надежности и стойкости по отношению к колебаниям и скачкам питающего напряжения.

Рис. 1. Типовая схема преобразователя с коррекцией коэффициента мощности и универсальным входом

a)



б)
Рис. 2. Выпрямленное сетевое напряжение, потребляемый сетевой ток и напряжение промежуточной цепи постоянного тока.
а) Vвыпр.сети = 110В, Vпит = 380В;
б) Vвыпр.сети = 260В, Vпит = 380В

2. Принципы построения и управления

2.1 Генератор

ККМ и ШИМ преобразователи синхронизированы внутренним генератором. Частота генератора устанавливается с помощью внешнего резистора R24, подключенного к выводу 16 и земле. Соответствующий времязадающий конденсатор встроен, чтобы гарантировать низкий ток потребления и высокую устойчивость против электромагнитных помех. Внутренний генератор работает с удвоенной внешней частотой для точного ограничения длительности цикла ШИМ (50%) при помощи триггера (рис.3). ККМ работает с максимальной длительностью цикла 94%, чтобы получить минимальные паузы потребляемого тока. Генератор может быть синхронизирован с внешним задающим сигналом, поданным на вывод 12.

Рис. 3. Временные диаграммы напряжения на выходе генератора и широтно-импульсных модуляторов ККМ и ШИМ преобразователей

2.2 ККМ преобразователь

ККМ преобразователь имеет мультисхемное управление. При нормальной работе ККМ-схемы TDA16888 работает с двойной цепью управления. Первая цепь отслеживает форму потребляемого тока, обеспечивая средне токовый режим управления, как в режиме непрерывного, так и прерывистого тока. Вторая цепь стабилизирует напряжение в промежуточной цепи постоянного тока. Сигнал обратной связи по напряжению с делителя R13, R14 поступает на вход 17 микросхемы. Выходной сигнал усилителя ошибки на выводе 18 умножается с током на выводе 1, полученным при помощи RCR фильтра (на резисторах R4A, R4B и конденсаторе С9) из выпрямленного входного напряжения. Ток выхода умножителя формируется подобно входному напряжению, а его амплитуда изменяется в зависимости от выходного напряжения усилителя ошибки напряжения. Ток, пропорциональный потребляемому, поступает на вход усилителя ошибки тока (вывод 4 ИС), где вычитается из тока выхода умножителя. Выходное напряжение усилителя ошибки тока (выход 3 ИС) поступает на широтно-импульсный модулятор, где сравнивается с пилообразным напряжением, поступающим с выхода генератора (рис. 3). Выходной каскад широтно-импульсного модулятора (драйвер ККМ) формирует на выводе 8 ИС напряжение управления силовым транзистором VT1. Для частотной коррекции в цепи обратной связи усилителя ошибки тока включены элементы С7, С8, R8 а в цепи обратной связи усилителя ошибки напряжения - С5, С6, R16.

ККМ преобразователь обеспечивает питание ИС после запуска, а также развязывает части схемы вторичной стороны, которые должны оставаться активными даже в режиме ожидания. Питание ИС после запуска реализуется с помощью отдельной вторичной обмотки (AUX1) дросселя L2 повышающего преобразователя. Выпрямленное с помощью мостового выпрямителя напряжение поступает на параметрический стабилизатор, выполненный на транзисторе VT3 и стабилитроне D11. Ток через обмотку AUX1 может протекать, как при отпирании, так и запирании силового транзистора VT1 ККМ преобразователя. Аналогично реализуется потенциально развязанное дополнительное напряжение VSBV (5В/100мА) для части схемы активной в состоянии ожидания. Для питания ИС и дополнительных цепей в этом режиме имеется третья цепь управления ККМ преобразователем, обеспечивающая его работу при половине номинальной частоты, когда ШИМ преобразователь выключен, для того чтобы уменьшить потребляемую мощность и предотвратить повышение напряжения в промежуточной цепи. При этом контролируется напряжение на дополнительном выходе ККМ преобразователя, разделенным через диод D6 (напряжение обратной связи снимается с делителя R1,R27 и поступает на вывод 20 ИС). Третья управляющая цепь активизируется, когда напряжение дополнительного выхода ККМ преобразователя ниже номинального напряжения шины на 5%.

Различные типы преобразователей, а именно, повышающий, обратноходовой или понижающе-повышающий могут быть использованы в качестве ККМ преобразователя. Однако повышающий преобразователь (рис.1) является наиболее предпочтительным поскольку позволяет достигать более высоких к.п.д. при более простом исполнении.

2.3. ШИМ преобразователь

ШИМ преобразователь (прямоходовой или обратноходовой) управляется с постоянной рабочей частотой, той же что и ККМ преобразователь. ШИМ преобразователь стартует с мягкого пуска при напряжении шины выше чем 80% от номинального значения. Время рабочего цикла ограничено 50%, чтобы исключить насыщение трансформатора. Фронт включения ШИМ преобразователя отстает от ККМ преобразователя на полпериода (рис. 4а,б) для того чтобы избежать эффекта повышенных помех, возникающего при одновременном совпадении фронтов включения, особенно во время короткого замыкания. Кроме того, задержанные рабочие циклы ККМ и ШИМ преобразователей уменьшают нагрузку на конденсатор промежуточной цепи, поскольку ток потребления ШИМ преобразователя обычно совпадает с током, поступающим от ККМ преобразователя.

ШИМ преобразователь работает в улучшенном токовом режиме управления, с эффективным подавлением высокочастотных помех и импульсных токов из-за разряда паразитных емкостей при включении транзистора. Напряжение, пропорциональное току силового транзистора VT2, снимается с шунта R15 и поступает через фильтр R32, C21 на вывод 10. Для того, чтобы обеспечить эффективный размах базового пилообразного напряжения и одновременно подавление шумов и импульсных токов, имеющих место из-за разряда паразитных емкостей при включении силового транзистора, напряжение с датчика тока усиливается внутри ИС, результирующий сигнал увеличивается посредством постоянного напряжения и окончательно подается на низкочастотный фильтр первого порядка с внешним конденсатором С13 (рис.5а,б). Широтно-импульсная модуляция реализуется по заднему фронту согласно пилообразному напряжению на выводе 15 и напряжению на выводе 14 (рис.3). Это напряжение снимается с коллектора транзистора оптрона D3, питаемого от опорного напряжения VREF (вывод 2 ИС) через резистор R25. Для подавления помех имеется фильтр на резисторе R35 и конденсаторе С22. Оптрон D3 обеспечивает функции потенциальной развязки. Регулируемый стабилитрон D2, включенный в выходную цепь последовательно с излучателем оптрона D3 выполняет одновременно функции источника опорного напряжения и усилителя ошибки. Частотная коррекция петли регулирования обеспечивается элементами C16, C17 и R21. Слежение за напряжением производится по одному из выходных каналов. Выходное напряжение устанавливается резистивным делителем R20,R19.

а)



б)
Рис. 4. Временные осциллограммы напряжения сток-исток VDSККМ силового транзистора ККМ-преобразователя и напряжения сток-исток VDSШИМ ШИМ-преобразователя. а) при Vсети = 50В; б) при Vсети = 160В

Благодаря улучшенному токовому режиму управления достигается стабильная широтно-импульсная модуляция от максимальной нагрузки до ее отсутствия. Окончательно, в случае условия отсутствия нагрузки ШИМ схема может быть по желанию выключена с помощью закоротки вывода 13 (PWM SS) на землю посредством управляемого транзистора VT4.

2.4 Управление затвором силовых транзисторов ККМ и ШИМ

Используется конфигурация схемы драйвера с двухполюсным питанием, с улучшенным управлением силовыми транзисторами и защитой их от нежелательных затворных перенапряжений. Для того чтобы уменьшить потери на включение и минимизировать электромагнитное излучение, оба вывода управления затвором (вывода 8 и 10) оптимизированы для режима мягкого включения за счет модуляции наклона напряжения на этапе включения. Наклон включения умеренный между 0 и 3 В, низкий между 3 и 5 В и умеренный от 5 до максимума 12 В. Это ведет к ограничению тока диода на этапе выключения, обеспечивая мягкий режим переключения тока от диода к транзистору. Модуляция напряжения реализуется независимо от емкости нагрузки. С другой стороны, выходные каскады ИС обеспечивают быстрое выключение - с токовой способностью около 1,5А в амплитуде.

При падении напряжения ниже порога пониженного напряжения на выводе 9 выводы управления затвором принимают низкий уровень активности.

а)

б)
Рис. 5. Напряжение VR15 с шунта R15, пилообразное напряжение на С15, управляющее напряжение VGS силового транзистора ШИМ-преобразователя.
а) обратноходовой конвертер с треугольной формой тока;
б) прямоходовой конвертер с трапецеидальной формой тока

Рис. 6. Напряжение управления затвором и выходной ток драйвера. Включение с модулированным фронтом. Выключение с крутым фронтом

Рис. 7. Напряжение сток исток, ток стока и напряжение управления затвором при включении МДП-транзистора с ограничением броска обратного тока диода на этапе выключения

2.5. Пуск, контрольные функции и защита

Энергоэффективный пуск ИС с типовым токовым потреблением 50 мкА реализуется при помощи высокоомного резистора R2. Конденсатор C11 цепи питания заряжается через этот резистор от выпрямленного сетевого напряжения. По достижении порога включения (14 В) ИС переходит в активный режим и осуществляя питание от заряженного конденсатора до появления питания от ККМ преобразователя. Емкость конденсатора выбирается достаточной, чтобы питать ИС прежде чем напряжение питания снизится до порога выключения 11 В. ККМ преобразователь запускается с максимальной скважностью до тех пор, пока токовое ограничение или регулятор напряжения не уменьшит скважность. ШИМ преобразователь запускается с мягким стартом, как только напряжение промежуточной цепи перейдет порог пониженного напряжения, составляющего 80% от номинального напряжения шины.

Для обоих преобразователей реализованы контроль и ограничение пиков тока силовых транзисторов. Информация о токе транзистора VT1 ККМ преобразователя поступает на вывод 6 с шунта R6 через фильтр R3, С10. Для токоограничения ШИМ преобразователя используется сигнал, поступающий на вывод 11. Когда активизируется это токовое ограничение, будет немедленно закрыт соответствующий выход управления затвором силового транзистора VT1 (вывод 8) или VT2 (вывод 10).

При контроле напряжения промежуточной цепи применяются четыре функциональных уровня (рис.8). Если напряжение промежуточной цепи менее 20% номинального, то оба выхода управления останутся блокированы. При напряжении менее чем 80% остается блокированным выход управления ШИМ преобразователем, а ККМ преобразователь работает на половине номинальной частоты. Если напряжение промежуточной цепи превысит 110% включается быстрая, но мягкая защита, уменьшая до нуля выходной ток умножителя. Если напряжение превысит 120%, тогда каскады управления ККМ и ШИМ преобразователей блокируются и остаются в этом состоянии до тех пор, пока напряжение в промежуточной цепи не опустится до 110%. При снижении напряжения на выводе 19 ИС до нуля, например, при размыкании цепи на выходе управления ККМ преобразователем будет немедленно установлен низкий уровень напряжения. Таким образом, разорванное соединение промежуточной цепи, падение напряжения и перенапряжение определяется простым делителем напряжения и благодаря эффективной системе контроля значительно улучшается надежность источника питания и устойчивость по отношению к колебаниям напряжения. Цепи регулирования и контроля напряжения промежуточной цепи имеют раздельные входы (выводы 17,19). Наличие двух делителей напряжения позволяет изменять порог реакции предела перенапряжения на выходе ККМ относительно номинального промежуточного напряжения от 110% до 105%.

Рабочее состояние ККМ и ШИМ преобразователей

Рис. 8. Рабочее состояние ККМ и ШИМ преобразователей в зависимости от напряжения Vпит в промежуточной цепи, по отношению к номинальному значению

Более детальную информацию по ИС TDA16888 можно увидеть на сайте www.infineon.com.

В 2000 году планируется в учебном классе фирмы Infineon на кафедре "Промышленной электроники" Московского энергетического института создание экспериментальных стендов. Здесь специалисты могут получить интересующую их информацию по применению данной ИС и ряда других продуктов фирмы.

Это же описание в формате *.pdf можно скачать здесь.

Тел.: (095) 362-74-22
E-mail: pel@srv-vmss.mpei.ac.ru; promel@mail.ru
www.promel.newmail.ru

Приложение 1

Наименование и функции выводов ИС TDA 16888

Номер вывода Символ Функция
1 PFC IAC Вход датчика напряжения сети
2 Vref Опорное напряжение 7,5В
3 PFC CC Цепь компенсации тока ККМ
4 PFC CS Датчик тока ККМ
5 GND S Вход датчика земли
6 PFC CL Вход датчика для ограничения тока ККМ
7 GND Земля
8 PFC OUT Выход драйвера ККМ
9 Vcc Напряжение питания
10 PWM OUT Выход драйвера ШИМ
11 PWM CS Датчик тока ШИМ
12 SYNC Вход синхронизации генератора
13 PWM SS Мягкий пуск ШИМ
14 PWM IN Вход датчика напряжения выхода ШИМ
15 PWM RMP Напряжение "наклона" ШИМ
16 ROSC Установка частоты генератора
17 PFC FB Цепь напряжения обратной связи ККМ
18 PFC VC Цепь напряжения компенсации ККМ
19 PFC VS Вход датчика напряжения выхода ККМ
20 AUX VS Датчик напряжения дополнительного источника

Приложение 2

Пример использования: источник питания персонального компьютера

Блок питания персонального компьютера (ПК) с требованием по мощности до 150Вт предлагает диапазон выходов: 5В/18А; 12В/4А; 12В/0,7А; 5В/0,3А; 5В/0,1 А (режим покоя). Обеспечивает применение для электрических сетей всего мира (диапазон входных напряжений от 90 - 270В) и соответствие требованиям МЭК IEC 1000-03 по содержанию высших гармоник в потребляемом токе.

Типичные данные для параметров, измеряемые для установленной выходной мощности 150Вт при рабочей частоте 100кГц, приведены в таблице. Особыми моментами являются низкие допуски (разбросы) выходных напряжений при работе от полной нагрузки до ее отсутствия и стабилизированное напряжение промежуточной цепи постоянного тока, даже в режиме ожидания. Блок питания ПК 150Вт обычно монтируется в системный блок ПК. Внешний вид блока питания приведен на рис. 9.

Внешний вид блока питания ПК

Рис. 9. Внешний вид блока питания ПК






 
Впервые? | Реклама на сайте | О проекте | Карта портала
тел. редакции: +7 (995) 900 6254. e-mail:info@eust.ru
©1998-2023 Рынок Микроэлектроники