Поиск по сайту:

 


По базе:  

микроэлектроника, микросхема, микроконтроллер, память, msp430, MSP430, Atmel, Maxim, LCD, hd44780, t6963, sed1335, SED1335, mega128, avr, mega128  
  Главная страница > Статьи > Силовая электроника




К.Д. Рогачёв

Силовые биполярные транзисторы с изолированным затвором (IGBT)

  Rus Параметрический поиск IGBT-транзисторов

Устройство и особенности работы

    Биполярный транзистор с изолированным затвором (IGBT - Insulated Gate Bipolar Transistors) - полностью управляемый полупроводниковый прибор, в основе которого трёхслойная структура. Его включение и выключение осуществляются подачей и снятием положительного напряжения между затвором и истоком. На рис.1 приведено условное обозначение IGBT.

Условное обозначение IGBT Схема соединения транзисторов в единой структуре IGBT

Рис. 1. Условное обозначение IGBT

Рис. 2. Схема соединения транзисторов в единой структуре IGBT

    Коммерческое использование IGBT началось с 80-х годов и уже претерпела четыре стадии своего развития.

    I поколение IGBT (1985 г.): предельные коммутируемые напряжения 1000 В и токи 200 А в модульном и 25 А в дискретном исполнении, прямые падения напряжения в открытом состоянии 3,0-3,5 В, частоты коммутации до 5 кГц (время включения/выключения около 1 мкс).

    II поколение (1991 г.): коммутируемые напряжения до 1600 В, токи до 500 А в модульном и 50 А в дискретном исполнении; прямое падение напряжения 2,5-3,0 В, частота коммутации до 20 кГц ( время включения/ выключения около 0,5 мкс).

    III поколение (1994 г.): коммутируемое напряжение до 3500 В, токи 1200 А в модульном исполнении. Для приборов с напряжением до 1800 В и токов до 600 А прямое падение напряжения составляет 1,5-2,2 В, частоты коммутации до 50 кГц (времена около 200 нс).

    IV поколение (1998 г.): коммутируемое напряжение до 4500 В, токи до 1800 А в модульном исполнении; прямое падение напряжения 1,0-1,5 В, частота коммутации до 50 кГц (времена около 200 нс).

    IGBT являются продуктом развития технологии силовых транзисторов со структурой металл-оксид-полупроводник, управляемых электрическим полем (MOSFET-Metal-Oxid-Semiconductor-Field-Effect-Transistor) и сочетают в себе два транзистора в одной полупроводниковой структуре: биполярный (образующий силовой канал) и полевой (образующий канал управления). Эквивалентная схема включения двух транзисторов приведена на рис. 2. Прибор введён в силовую цепь выводами биполярного транзистора E (эмиттер) и C (коллектор), а в цепь управления - выводом G (затвор).

    Таким образом, IGBT имеет три внешних вывода: эмиттер, коллектор, затвор. Соединения эмиттера и стока (D), базы и истока (S) являются внутренними. Сочетание двух приборов в одной структуре позволило объединить достоинства полевых и биполярных транзисторов: высокое входное сопротивление с высокой токовой нагрузкой и малым сопротивлением во включённом состоянии.

Диаграмма напряжения и тока управления

Рис. 3. Диаграмма напряжения и тока управления

    Схематичный разрез структуры IGBT показан на рис. 4,а. Биполярный транзистор образован слоями p+ (эмиттер), n (база), p (коллектор); полевой - слоями n (исток), n+ (сток) и металлической пластиной (затвор). Слои p+ и p имеют внешние выводы, включаемые в силовую цепь. Затвор имеет вывод, включаемый в цепь управления. На рис. 4,б изображена структура IGBT IV поколения, выполненого по технологии "утопленного" канала (trench-gate technology), позволяющей исключить сопротивление между p-базами и уменьшить размеры прибора в несколько раз.

Схематичный разрез структуры IGBT: а-обычного (планарного); б-выполненого по trench-gate technology

Рис. 4. Схематичный разрез структуры IGBT: а-обычного (планарного); б-выполненого по "trench-gate technology"

    Процесс включения IGBT можно разделить на два этапа: после подачи положительного напряжения между затвором и истоком происходит открытие полевого транзистора (формируется n - канал между истоком и стоком). Движение зарядов из области n в область p приводит к открытию биполярного транзистора и возникновению тока от эмиттера к коллектору. Таким образом, полевой транзистор управляет работой биполярного.

    Для IGBT с номинальным напряжением в диапазоне 600-1200 В в полностью включённом состоянии прямое падение напряжения, так же как и для биполярных транзисторов, находится в диапазоне 1,5-3,5 В. Это значительно меньше, чем характерное падение напряжения на силовых MOSFET в проводящем состоянии с такими же номинальными напряжениями.

    С другой стороны, MOSFET c номинальными напряжениями 200 В и меньше имеют более низкое значение напряжения во включённом состоянии, чем IGBT , и остаются непревзойдёнными в этом отношении в области низких рабочих напряжений и коммутируемых токов до 50 А.

    По быстродействию IGBT уступают MOSFET, но значительно превосходят биполярные. Типичные значения времени рассасывания накопленного заряда и спадания тока при выключении IGBT находятся в диапазонах 0,2-0,4 и 0,2-1,5 мкс, соответственно.

    Область безопасной работы IGBT позволяет успешно обеспечить его надёжную работу без применения дополнительных цепей формирования траектории переключения при частотах от 10 до 20 кГц для модулей с номинальными токами в несколько сотен ампер. Такими качествами не обладают биполярные транзисторы, соединённые по схеме Дарлингтона.

    Так же как и дискретные, MOSFET вытеснили биполярные в ключевых источниках питания с напряжением до 500 В, так и дискретные IGBT делают то же самое в источниках с более высокими напряжениями (до 3500 В).

IGBT-модули

    В настоящее время транзисторы IGBT выпускаются, как правило, в виде модулей в прямоугольных корпусах с односторонним прижимом и охлаждением ("Mitsubishi", "Siemens", "Semikron" и др.) и таблеточном исполнении с двухсторонним охлаждением ("Toshiba Semiconductor Group"). Модули с односторонним охлаждением выполняются в прочном пластмассовом корпусе с паяными контактами и изолированным основанием. Все электрические контакты находятся в верхней части корпуса. Отвод тепла осуществляется через основание. Типовая конструкция модуля в прямоугольном корпусе показана на рис. 5.

Типовая конструкция IGBT-модуля

Рис. 5. Типовая конструкция IGBT-модуля: 1 - кристалл; 2 - слой керамики; 3 - спайка; 4 - нижнее тепловыводящее основание

    Ток управления IGBT мал, поэтому цепь управления - драйвер конструктивно компактна. Наиболее целесообразно располагать цепи драйвера в непосредственной близости от силового ключа. В модулях IGBT драйверы непосредственно включены в их структуру. "Интеллектуальные" транзисторные модули (ИТМ), выполненные на IGBT, также содержат " интеллектуальные" устройства защиты от токов короткого замыкания, системы диагностирования, обеспечивающие защиту от исчезновения управляющего сигнала, одновременной проводимости в противоположных плечах силовой схемы, исчезновения напряжения источника питания и других аварийных явлений. В структуре ИТМ на IGBT предусматривается в ряде случаев система управления с широтно-импульсной модуляцией (ШИМ) и однокристальная ЭВМ. Во многих модулях имеется схема активного фильтра для коррекции коэффициента мощности и уменьшения содержания высших гармонических в питающей сети.

    IGBT-модуль по внутренней электрической схеме может представлять собой единичный IGBT, двойной модуль (half-bridge), где два IGBT соединены последовательно (полумост), прерыватель (chopper), в котором единичный IGBT последовательно соединён с диодом, однофазный или трёхфазный мост. Во всех случаях, кроме прерывателя, модуль содержит параллельно каждому IGBT встроенный обратный диод. Наиболее распространённые схемы соединений IGBT- модулей приведены на рис. 6.

Схемы IGBT-модулей

Рис. 6. Схемы IGBT-модулей

    Интенсивно развивается технология корпусирования паяной конструкции силовых модулей с целью дальнейшего снижения габаритов и массы, повышения надёжности, энерго- и термоциклоустойчивости, уменьшения теплового сопротивления и стоимости. Эти цели достигаются применением новых материалов и технологий сборки на тонкие и AlN керамические подложки в корпусах с малоиндуктивными выводами, разработкой специальных конструкций силовых модулей с интегрированным жидкостным охлаждением и созданием силовых модулей, включая "интеллектуальные", с использованием матричных композиционных материалов, имеющих хорошие теплопроводящие свойства и низкие, согласованные с кремнием и керамикой, коэффициенты теплового расширения (КТР).

    В модулях с интегральным жидкостным охлаждением почти в четыре раза удаётся увеличить отводимую рассеиваемую мощность по сравнению с сопоставимой по электрическим параметрам традиционной конструкцией силового модуля с воздушным охлаждением.

    Применение матричных композиционных материалов (MMC-Metal Matrix Composite) открывает новые перспективы в создании высокомощных, компактных, прочных, надёжных силовых модулей. MMC имеют высокую теплопроводность (MMC-150 Вт/(м*К), Cu-370, Al-200, Si-80), низкий КТР (MMC-7, Cu-17, Al-23, Si-4, -7, AlN-7), что позволяет снизить до минимума напряжённости в конструкции модуля, особенно в чипах силовых приборов, обеспечивая хорошую электрическую изоляцию и эффективный отвод тепла. В настоящее время по этой концепции созданы "интелектуальные" силовые модули (выпрямитель-инвертор) мощностью до 100 кВт.

    Наряду с развитием технологии паяной конструкции силовых модулей с изолированным основанием (предельные параметры 1,2 кА, 3,5 кВ) продолжает интенсивно развиваться технология прижимной конструкции IGBT- модулей, подобная таблеточной конструкции SCR (Silicon Controlled Rectifier) и GTO - press-pack technology, в которой наряду с уменьшением более чем в 10 раз теплового сопротивления и габаритов значительно улучшены надёжность, термоциклоустойчивость. Наиболее высоких параметров IGBT- модулей прижимной конструкции достигла кампания "Toshiba"(PP HV IGBT-press pack high voltage IGBT).

Целесообразность применения IGBT в дискретном и модульном исполнениях

    Дискретные приборы в корпусах ТО-220 и Т-247 ("Fullpak") изготовляются массово и имеют низкую стоимость в расчёте на один ампер номинального тока (максимальное значение рабочего тока 70 А). Сильноточные модули с электрической изоляцией, как правило, содержат ключи, соединённые по полумостовой ключевой схеме или с одноключевой конфигурацией. В этих модулях диапазон номинальных токов находится в диапазоне от 25 А (для полумостовой схемы с напряжением на 1200 В) до 600 А (для одноключевой схемы с напряжением 600 В).

    Привлекательными чертами сильноточных модулей являются: наличие электрической изоляции, простота монтажа с охладителем и лёгкость связи с другими модулями для повышения нагрузки цепи. Они также позволяют избежать использования параллельного соединения ключей для токов, превышающих сотни ампер.

    Использование приборов в корпусах ТО-220 и ТО-247 со встроенными обратными быстродействующими диодами становится особенно предпочтительным при разработке инверторов. В этом случае требуемое число силовых полупроводниковых компонентов уменьшается на 50 % по сравнению с использованием IGBT и диодов в виде отдельных элементов. Перекрываемые области диапазонов токов, где использование дискретных приборов экономически предпочтительнее по сравнению с сильноточными модулями, могут быть расширены за счёт параллельного соединения отдельных приборов.

    Модуль, имеющий наибольший номинальный ток, содержит и наибольшую площадь кремниевого кристалла, которая используется при полной токовой загрузке модуля. В таком же модуле с неполной токовой нагрузкой общая площадь кремния используется частично. Полностью загруженный по току модуль с номинальными параметрами 200 А, 600 В с полумостовой схемой эквивалентен по содержанию кремния восьми дискретным приборам в корпусе ТО-247. Для сравнения такой модуль с частичной загрузкой в 50 А эквивалентен двум приборам в корпусе ТО-247. Так как стоимость модуля существенно зависит от количества содержащегося в нём кремния, полностью загруженный по току модуль имеет более низкую стоимость одного номинального ампера по сравнению с частично загруженным, но стоимость 1 А номинального тока полностью загруженного по току модуля в 1,5 раза и более превышает аналогичный показатель для эквивалентного числа дискретных компонентов.

    В противовес преимуществу дискретных компонентов в стоимости компонента необходимо учитывать дополнительные расходы на монтаж, необходимость снижения значений номинальных токов при их параллельном соединении и другие технические факторы, связанные с использованием определённого числа соединённых между собой дискретных компонентов.

    Основное различие между дискретными приборами и сильноточными модулями заключается в способе электрической связи их с другими элементами схемы. Дискретные компоненты соединяются с элементами схемы на печатной плате посредством пайки. Максимальное значение токов в контактных соединениях печатной платы обычно не превосходит 100 А в установившихся режимах работы. Это накладывает естественные ограничения на число параллельно соединяемых компонентов. С другой стороны, сильноточные модули имеют выводы под винтовые зажимы. Поэтому они могут соединяться с кабельными наконечниками или непосредственно с токопроводящими шинами. Сильноточные модули также могут напрямую соединятся с печатной платой через сквозные отверстия.

    Параллельное соединение дискретных компонентов связано с необходимостью равномерного распределения между ними потерь мощности, по возможности наиболее точного выравнивания значений температур полупроводниковых переходов соединяемых дискретных приборов. Различие электрических характеристик отдельных приборов требует создания для каждого из них определённого запаса по току нагрузки, составляющего примерно 20% максимально допустимого значения. Даже при создании такого запаса по току необходимо обеспечить хороший теплоотвод от каждого прибора, чтобы обеспечить равенство температур полупроводниковых переходов.

    Наличие электрической изоляции создаёт в местах крепления приборов к охладителю тепловые барьеры, ухудшающие равномерность распределения температур переходов отдельных приборов. По этой причине приборы в корпусах "Fullpak" (Int-A-Pak, Dual-Int-A-Pak, IMS, SOT, Co-Packs, ZIP, DIP, Flange-B и другие) с электрической изоляцией не идеальны для параллельного их соединения. Параллельно соединяемые приборы следует монтировать на общем охладителе. Если же требуется обеспечить электрическую изоляцию, то приборы следует смонтировать на общей теплоотводящей пластине, обеспечивающей хорошую тепловую связь между переходами приборов. Эта пластина также может использоваться в качестве конструктивного элемента, обеспечивающего механическое соединение приборов. электроизоляционный барьер в этом случае следует создавать между токоведущими частями параллельной сборки приборов и основным охладителем.

    Асимметрия в разводке электрических цепей, подключаемых к параллельно соединённым приборам, может привести к значительному различию в выделяемых в каждом из них потерях мощности. Наиболее сильно этот эффект проявляется на коммутационных интервалах работы приборов, что приводит к неравномерному распределению динамических потерь мощности. Наиболее существенно на распределение токов в динамических режимах влияют индуктивности эмиттерных цепей, значения которых по возможности должны быть равными, чтобы исключить разбаланс динамических потерь.

    Известно, что динамические потери уменьшаются со снижением значений рабочей частоты и напряжения. В этих случаях простые схемы соединения приборов без симметрирования соединений могут стать вполне приемлемыми. Там, где содержание динамических потерь превышает 15% общих потерь, необходимо уделять значительное внимание разводке цепей, соединяющих дискретные приборы вследствие значительного влияния симметричности цепей. Пример идеального симметричного расположения цепей представлен на рис. 7. При таком расположении и соединении приборов обеспечивается равенство индуктивностей эмиттерных цепей всех соединённых приборов и тем самым обеспечивается выравнивание между ними динамических потерь.

Симметричная разводка электрических цепей в параллельно соединяемых приборах

Рис. 7. Симметричная разводка электрических цепей в параллельно соединяемых приборах (кольцевое соединение): 1 - охладитель; 2 - печатная плата; 3 - соединение эмиттеров; 4 - соединение входов низкой стороны

Основные области применения и промышленное производство IGBT-модулей в России

    В настоящее время производство силовых IGBT-модулей освоено рядом российских предприятий электронной промышленности (АО "Электровыпрямитель", НПК "ИСЭ" и другие). Основными элементами в модулях являются IGBT-чипы, изготовленные по NPT (Non punch through) технологии. IGBT - транзисторы, изготовленные по этой технологии, обладают высокой du /dt стойкостью, практически прямоугольной областью безопасной работы, что обеспечивает надёжную работу приборов при предельных загрузках по току и напряжению. Эти транзисторы имеют положительный температурный коэффициент напряжения насыщения, что позволяет успешно использовать IGBT- модули в параллельных соединениях. Особенностью российских модулей является низкое время спада тока при выключении, а также очень низкие и практически не зависящие от температуры остаточные токи. Это особенно важно при работе транзисторов на высоких частотах.

    Модули выполняются по одно - (серия МДТКИ) и двухключевой (М2ТКИ) схемам, а также по схеме прерывателя тока (чоппера - серия МТКИД). Транзисторы шунтируются диодами обратного тока, в качестве которых используются супербыстровосстанавливающиеся диоды с "мягким" восстановлением (FRD диоды).

    IGBT-модули первого конструктивного исполнения (ширина модуля 34 мм) рассчитаны на токи 25, 50 и 75 А и предназначены для инверторов мощностью от 2 до 15 кВт. Модули второго конструктивного исполнения (ширина модуля 62 мм) рассчитаны на токи 100, 150 и 200 А и применяются в инверторах мощностью от 20 до 60 кВт. И самые мощные в этом ряду IGBT- модули третьего исполнения (ширина 62 мм) на токи 200, 320 и 400 А могут применятся в инверторах мощностью от 60 до 200 кВт.

    С 1998 года на саранском предприятии "Электровыпрямитель" осуществляется выпуск мощных высоковольтных IGBT- модулей на ток до 1200 А и напряжение до 3300 В; проводится разработка мощного IGBT - транзистора таблеточной конструкции с прижимными контактами, что позволит увеличить съём тепла с элемента, ещё более повысить рабочий ток и напряжение транзистора.

    IGBT- модули зарубежного производства на российском рынке электронных компонентов представлены в основном фирмами "Mitsubishi", "International Rectifier", "Hitachi" (см. рис. 9).

    Распространяемые фирмами-посредниками приборы перекрывают диапазоны максимально допустимых токов (Ic) от 50 А до 1000 А и напряжений (UCE) от 250 В до 1700 В. Модули на токи до 600 А реализуются с включённым в структуру драйвером, свыше 600 А- драйвер поставляется отдельно. Оптовые цены (июнь 2000 г.) на силовые модули составляют от 1,5 до 9,0 тыс. руб./шт. Партия изделий в среднем состоит из 10 и более единиц (при изменении размера партии соотношение цен на продукцию меняется).

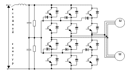
    Современные IGBT-модули находят сегодня широкое применение при создании неуправляемых и управляемых выпрямителей, автономных инверторов для питания двигателей постоянного и переменного тока средней мощности (см. рис.8), преобразователей индукционного нагрева, сварочных аппаратов, источников бесперебойного питания, бытовой и студийной техники.

Схема тягового привода системы ONIX 3000 на IGBT-транзисторах электровоза AM96 для системы электроснабжения 3 кВ

Рис. 8. Схема тягового привода системы ONIX 3000 на IGBT-транзисторах электровоза AM96 для системы электроснабжения 3 кВ

    Особую роль IGBT -модули играют в развитии железнодорожного транспорта. Применение этих перспективных приборов в тяговом преобразователе позволило повысить частоту переключения, упростить схему управления, минимизировать загрузку сети гармониками и обеспечить предельно низкие потери в обмотках трансформатора и дросселей. На российском подвижном составе модули IGBT использовались в преобразователе собственных нужд (ПСН) электровоза ЭП-200, тяговом преобразователе электропоездов " Cокол" и ЭД6.

    Впервые тяговый преобразователь на транзисторах IGBT (четырёхквадрантные регуляторы, импульсные инверторы и тормозной регулятор) применён в Европе на серийном электропоезде переменного тока промышленной частоты Heathrow Express (HEX).

Схема включения IGBT- модуля типа MBN1200D33 фирмы Hitachi

Рис. 9. Схема включения IGBT- модуля типа MBN1200D33 фирмы Hitachi

Заключение

    На сегодняшний день IBGT как класс приборов силовой электроники занимает и будет занимать доминирующее положение для диапазона мощностей от единиц киловатт до единиц мегаватт. Дальнейшее развитие IGBT связано с требованиями рынка и будет идти по пути:

  • повышения диапазона предельных коммутируемых токов и напряжений (единицы килоампер, 5-7 кВ);
  • повышения быстродействия;
  • повышения стойкости к перегрузкам и аварийным режимам;
  • снижения прямого падения напряжения;
  • разработка новых структур с плотностями токов, приближающихся к тиристорным;
  • развития "интеллектуальных" IGBT (с встроенными функциями диагностики и защит) и модулей на их основе;
  • создания новых высоконадёжных корпусов, в том числе с использованием MMC (AlSiC) и прижимной конструкции;
  • повышения частоты и снижение потерь SiC быстровосстанавливающихся обратных диодов;
  • применения прямого водяного охлаждения для исключения соединения основание - охладитель.





 
Впервые? | Реклама на сайте | О проекте | Карта портала
тел. редакции: +7 (995) 900 6254. e-mail:info@eust.ru
©1998-2023 Рынок Микроэлектроники