| Тип |
CR1616 |
CR1620 |
CR2016 |
CR2025 |
CR2032 |
CR2430 |
CR2450 |
| Напряжение (V) |
3 |
3 |
3 |
3 |
3 |
3 |
3 |
| Емкость (мА/ч) |
50 |
60 |
70 |
150 |
220 |
280 |
560 |
| Диаметр (мм) |
16 |
16 |
20 |
20 |
20 |
24.5 |
24.5 |
| Высота (мм) |
1.6 |
2.0 |
1.6 |
2.5 |
3.2 |
3.0 |
5.0 |
| Вес (г) |
1.2 |
1.2 |
1.8 |
2.5 |
3.0 |
4.0 |
6.2 |
Дисковые элемента серии CR с
вертикальным монтажом

Дисковые элемента серии CR с
горизонтальным монтажом

| Тип |
A |
B |
C |
D |
E |
F |
G |
H |
I |
K |
| CR2032SLF |
21,5 |
1 |
10 |
1 |
4,2 |
20,5 |
- |
1 |
4,5 |
- |
| CR2032PCB |
20,0 |
1 |
10 |
11 |
3,2 |
17,8 |
7,5 |
10 |
4,5 |
11,4 |
| CR2430SLF |
25,8 |
1 |
10 |
1 |
4,0 |
25,0 |
- |
1 |
4,5 |
- |
| CR2430PCB |
24,5 |
1 |
10 |
11 |
3,0 |
17,8 |
7,5 |
10 |
4,5 |
11,4 |
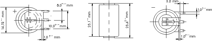
Горизонтальный и
вертикальный монтаж
| Тип |
CR2032PCB |
CR2430PCB |
GP2450LF-L |
CR2032SLF |
CR2430SLF |
GP2450LF-S |
| Напряжение (V) |
3 |
3 |
3 |
3 |
3 |
3 |
| Емкость (мА/ч) |
220 |
280 |
500 |
220 |
280 |
500 |
| Диаметр (мм) |
20.0 |
24.5 |
25 |
21.5 |
25.8 |
25 |
| Высота (мм) |
11 |
11 |
11 |
26 |
30.3 |
31.5 |
| Вес (г) |
3 |
4 |
6.2 |
3 |
4 |
6.2 |
| Номинальный
ток (мА) |
3 |
3 |
3 |
3 |
3 |
3 |
| Импульсный ток (мА) |
10 |
20 |
20 |
10 |
20 |
20 |
Срок хранения - 5 лет
Рабочий температурный диапазон -20°С…+65°С
Подзаряжаемые
литиевые батареи AA под пайку на плату
Литиевые
элементы емкостью 950мА/Ч VARTA CR1/2AA SLF
Литиевые элементы емкостью 950мА/Ч VARTA CR1/2AA CD
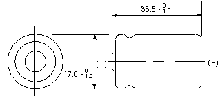
Литиевые элементы емкостью 1А/Ч TOSHIBA BR2/3 A3V
| Тип |
CR1/2ААSLF |
CR1/2AACD |
CR2/3 A3V |
| Емкость
(мА/ч) |
950 |
950 |
1200 |
| Напряжение
(V) |
3 |
3 |
3 |
| Ток мах. (мА) |
10 |
10 |
250 |
| Диаметр (мм) |
14.8 |
14.8 |
17.0 |
| Длина (мм) |
25.4 |
25.1 |
33.5 |
| Вес (г) |
11.5 |
11.5 |
13.5 |
Срок хранения - 10 лет
Рабочий температурный диапазон –30°С…+75°С
Панели под дисковые батареи
| Тип |
BH1060 |
BH1070 |
BH1050 |
BH1030 |
| Диаметр (мм) |
27.76 |
27.76 |
27.76 |
32.94 |
Тип
Батарей |
CR2016
CR2025
CR2032 |
CR2330 |
CR2430
CR2450 |
CR3032 |
|
|