В HTML      В PDF
микроэлектроника, микросхема, транзистор, диод, микроконтроллер, память, msp430, Atmel, Maxim, LCD, hd44780, t6963, sed1335, avr, mega128
Предприятия Компоненты Документация Применения Статьи Новости

  • Оптоэлектроника
  • Аналоговые компоненты
  • Интерфейсы
  • Источники питания
  • Средства
    разработки
  • Микроконтроллеры
  • Память
  • Датчики
  • LCD
  • Печатные платы
  • Промышленные контроллеры
  • ПЛИС
  • Компоненты фирмы IR
  • Силовая электроника
  • Транзисторы
  • Телекоммуникация и связь
  • Анонсы, пресс-релизы выставок
  • Освещение
  • Разное
  • Электронный журнал RB
  •  
    Пересюхтюмя


    13-я Международная выставка электронных компонентов и комплектующих для электронной промышленности





    Выставка Передовые Технологии Автоматизации





    Главная страница > Статьи > Разное
    Пересюхтюмя


    13-я Международная выставка электронных компонентов и комплектующих для электронной промышленности





    Выставка Передовые Технологии Автоматизации


    "Одна голова хорошо, а три…" - уже свобода выбора!

    Русак А.Б.

        Как и в других видах бизнеса, в основе которых лежит выпуск каких либо товаров, в сфере производства электронных компонентов существует небезызвестная тенденция: как только какой-то элемент становится популярен у большого числа потребителей, другие фирмы - производители электронных компонентов приступают к немедленной разработке и массовому выпуску аналогов(клонов). Такая тенденция, во-первых позволяет насытить рынок и снизить цену, что в конечном итоге сказывается на цене конечного изделия, выпускаемого потребителем, вышеупомянутого электронного компонента. Во-вторых, что также существенно, фирмы, производящие клон стараются противопоставить оригиналу изделие с улучшенными параметрами, дабы не быть обвинённым в плагиате. Поэтому старинная поговорка о важности количества голов в данном случае как никогда актуальна.

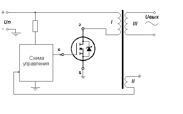
    Речь идёт о мощных переключающих полевых транзисторах (POWER MOSFETS) основная область применения которых - импульсные источники питания (SMPS), импульсные преобразователи напряжения для источников бесперебойного питания, а также электроприводы.

    Общая структурная схема применения POWER MOSFEETS такова:

    Схема управления генерирует импульсы управления полевым транзистором, регулируя их ширину в зависимости от падения напряжения на обмотке II, тем самым осуществляет стабилизацию колебательного процесса в контуре транзистор-трансформатор и, соответственно, напряжения на выходной обмотке III. Для такой схемы характерны простота конструкции и низкая себестоимость. Например , при применении в качестве схемы управления драйвера SGS Thomson TDA4605A, число электронных компонетов в схеме колеблется в районе 15-20. Качество работы всей схемы во многом зависит от характеристик транзистора, в особенности от такого важного параметра, как сопротивление сток-исток в полностью открытом состоянии (RDS(on)). Естественно - чем меньше это сопротивление, тем меньше тепловые потери, тем больше мощность источника питания. Сопротивление открытого транзистора является таким же важным инструментом в конкуренции на рынке электронных компонентов, как и собственно цена.
        На сегодняшний день хотелось бы выделить три основных производителя вышеуказанного транзистора.
        Исторически первым был SIEMENS c технологией SIPMOS в и сопротивлением перехода в открытом состоянии 2W. За ним последовали SGS -Thomson (ныне именуемый STMicroelectronics) и International Rectifier c технологией HEXFET в , которым удалось достигнуть RDS(on)=1.35W и 1.2W соответственно. Для лучшего понимания сходства и различий между транзисторами производимыми этими тремя компаниями , основные параметры сведены в таблицу:

    Фирма SIEMENS STMicroelectronics International Rectifier
    Параметры/ ТИП BUZ90A STP5NA60 IRFBC40
    VSSD 600V 600V 600V
    RDS(on) 2W при токе 3.7 А 1.35W 1.2W
    ID 4A 5,3A 6,2A
    Корпус ТО220AB TO220AB TO220AB
    Имп. Ток. IDM 16A 21A 25A
    Мощность PD 75W 110W 125W
    Рабочая температура -55 +150°С -65 +150°С -55 +150°С
    VGS ±20V ±30V ±25V
    Порог управления VGS(th) 2.1-4V 2.25-3.75V 2-4V
    Ток утечки 10-100nA 100nA 100nA
    gfs 3.8S 2.7-4.7S 4.7S
    Cвх 780-1050pF 925-1210pF 1300pF
    Cвых 110-170pF 130-175pF 160pF
    Время вкл. Td(on) 20-30ns 28-40ns 13ns
    Время спада имп.Tf 90ns 18-27ns 20ns

    Характеристика защитного диода имплантированного в транзистор:

    Прямой ток Is 4A 6,2A 5,3A
    Импульсный ток ISM 16A 25A 21A
    Vsd 1.1-1.2V 1.5V 1.6V
    Время восстановления 350ns 450-940ns 490ns

    Какой из трёх элементов применять, конечно должен решать покупатель - потенциальный производитель изделий на базе этого транзистора, но зачастую этот вопрос решает не он , а поставщик электронных компонентов, то-есть дистрибьютор. Поскольку у каждого дистрибьютора существуют разные условия поставки того или иного компонента, то выбор производится в данном случае не по лучшим параметрам, а по условиям поставки т.е лучшей цене и сроку отгрузки. Между дистрибьютерами тоже существует разница по цене и по качеству товара. Так, официальные дистрибьюторы для того чтобы выполнить договорной товорооборот со своим патроном покупают в основном "белый" товар, т.е товар от оригинального производителя. Такой товар имеет достаточно фиксированую цену, которая зачастую плохо конкурирует с ценой на товар от под-производителя, т.е. неизвестного производителя, использующего легально или нелегально торговую марку оригинального производителя. Такой товар зачастую является купли-продажи для неофициальных дистрибьютеров или "серого" рынка. Маневры по цене здесь очень большие, но покупатель должен иметь ввиду, что в данном случае качество не гарантируется производителем а гарантируется (может быть) перепродавцом, что значительно увеличивает вероятность брака.

    Фирма "ПетроИнТрейд" является официальным дистрибьютером компаний International Rectifier и STMicroelectronics (SGS). Это значит, что если вы покупаете у нас IRFBC40 или STP5NA60, вы покупаете части произведённые по стандарту и под контролем именно этих производителей и уж конечно произведённые не в Китае или Гонконге. Компоненты продаются по конкурентно-способным ценам с хорошими сроками поставки. Что примечательно, STP5NA60 всегда имеется в наличии на складе в Санкт-Петербурге.
        По вопросам техническим и другим вопросам обращайтесь:

    ПетроИнТрейд,
    Группа электронных компонентов
    (812) 310-2959, (812)511-8165,
    E-mail: semicond@pit.spb.ru